For the love of Christ has somebody got the plug connecter wiring diagram for a 1990 bronco (it's got tilt). I've been chasing a short in the passenger side, rear tail light
image size: 2000x2888
Radio Wire Harness - Compatible with 1984 - 1985 Ford Bronco II - Walmart.com
73-86 Bronco w/ Gauges — Gauge Install Kits \u0026 Accessories Dakota Digital Holley Pro Dash Autometer Invision New Vintage USA — Newrad Solutions
image size: 768x1024
If you have installed Hella aux lights... | Bronco6G - 2021+ Ford Bronco \u0026 Bronco Raptor Forum, News, Blog \u0026 Owners Community
image size: 6144x8160
Ford Wire and Color Code Charts | PDF
image size: 1600x837
Help! How do I wire this radio on my Ford bronco 2 1985 : r/AskMechanics
image size: 3785x1922
Manual 73 to an Auto 76 steering column | ClassicBroncos.com Forum
image size: 1920x1196
1973-1979 Ford Truck Wiring Diagrams \u0026 Schematics - FORDification.net
image size: 2500x1932
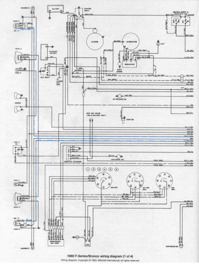
1980 - 1986 Ford F-Series Truck \u0026 1980 - 1986 Ford Bronco RestoMod Wiring System
image size: 1500x1159
73-86 F100 F150 F250 w/o Gauges — Gauge Install Kits \u0026 Accessories Dakota Digital Holley Pro Dash Autometer Invision New Vintage USA — Newrad Solutions
image size: 720x1280
1995 Ford Bronco Wiring Diagrams EVTM - Ford Official — Newrad Solutions
image size: 2500x1932
Wiring Diagram 1985 Ford F150 | TikTok
image size: 3024x4032
73-86 Bronco w/ Gauges — Gauge Install Kits \u0026 Accessories Dakota Digital Holley Pro Dash Autometer Invision New Vintage USA — Newrad Solutions
image size: 1280x970
1985 F150 fuel gauge showing half full when tanks empty, and over fillled when full. New sending unit. Needs more internal resistance? : r/MechanicAdvice
image size: 8160x6144
FORD ALTERNATOR WIRING DIAGRAM
image size: 1500x926
Help! How do I wire this radio on my Ford bronco 2 1985 : r/AskMechanics
image size: 1280x960
Mustang Wiring Diagrams
image size: 1573x605
Radio Wire Harness - Compatible with 1984 - 1985 Ford Bronco II - Walmart.com
image size: 1008x800
2021 Bronco Wiring Diagrams - NEEDED | Page 2 | Bronco6G - 2021+ Ford Bronco \u0026 Bronco Raptor Forum, News, Blog \u0026 Owners Community
image size: 1920x2560
Factory Tachometer - Ford F150 Forum - Community of Ford Truck Fans
image size: 1800x2400
Judge Orders Ford Recall In California / Decision on ignition flaw could affect 2 million vehicles
image size: 1080x992
Looking for headlight wiring schematic. | Bronco6G - 2021+ Ford Bronco \u0026 Bronco Raptor Forum, News, Blog \u0026 Owners Community