Chicago Gas Generator Parts 2002-2007 Jeep Liberty Front Driver Side Steering Wheel Airbag Chicago HVAC tools and supplies
98 images
Slug: /2025-11/chicago-gas-generator-parts
Source: chicago-gas-generator-parts.json
Fuel Tank For Tail Gator For CHICAGO Electric 2HP 63CC 900W For Pulsar 72CC 1200W 2-Stroke PG1202SA PG1202S For Powermate For TogoPower For PowerPro 1000W ET950 ET650 Gas Generator – Generator Parts
image size: 900x900
Fuel Tank For Tail Gator For CHICAGO Electric 2HP 63CC 900W For Pulsar 72CC 1200W 2-Stroke PG1202SA PG1202S For Powermate For TogoPower For PowerPro 1000W ET950 ET650 Gas Generator – Generator Parts
image size: 2560x2560
Carburetor for Harbor Freight Chicago Electric Predator Series 3000 30
image size: 951x1049
Harbor Freight Chicago Electric Predator 99CC 68124 Engine Red Recoil Starter – Generator Parts Wholesale
image size: 2560x2560
Carburetor for Chicago Electric 7HP 3050/3500W Portable Generator - Mower Parts Land
image size: 1024x1024
2 Cycle Gas Engine Parts – Page 2 – Generator Parts Wholesale
image size: 900x900
Harbor Freight Chicago Electric Recoil Starter 66603 66604 16Hp 7000W Generator
image size: 1325x1200
Air Filter Element Cleaner For Harbor Freight Tail Gator For Chicago Electric For Storm Cat 900
image size: 1436x1436
Lumix GC Recoil Starter for Chicago Electric Storm CAT 900 Watts 60338 66619 69381 63cc 64cc 2hp Handheld Gasoline Generators - Walmart.com
image size: 1000x1000
Chicago Electric 66619 Manual
image size: 937x1103
Tailgator Generator Parts HIFROM Recoil Pull Starter For Chicago Electric Storm 63CC 64CC 2HP CAT 900 Watts 60338 66619 69381 Handheld Gasoline Generator Chicago Generator Parts
image size: 1760x1760
Chicago Electric 67561 Manual
image size: 937x1132
Chicago Electric Gas Powered Generator With Honda GX380 Motor, Unknown Working Order, And Homelite Gas Powered Generator, Parts Only - Mayo Auction \u0026 Realty
image size: 1000x790
Recoil Starter Fit for Chicago Electric Storm 66619 Seychelles | Ubuy
image size: 1129x1184
Natural Gas Carburetor Carburetor For Harbor Freight Storm CAT 800/900 Watt Generators - Replaces Part #60338, 66619 Chicago Generator Parts
image size: 1001x1001
Piston Ring Set For Harbor Freight Tail Gator 63025 63024 For Chicago Electric Storm 800 900 Watts 60338 66619 69381 2HP 63cc 64cc Gas Engine Generator – Generator Parts Wholesale
image size: 1600x1600
Carburetor For Carburetor For Chinese Gasoline Generators 5500-8000 Watts ETQ Champion X-Power - Mower Parts Land
image size: 1200x1200
Zengyl60338 Carburetor Fits For Chicago Electric Storm Cat 700 800 | Desertcart Seychelles
image size: 1402x1225
Kohler Generator Parts Dealer | Buckeye Power Sales
image size: 1430x937
Chicago Pneumatic CPPG Series Portable Generator
image size: 1029x990
10PCS Air Filter Element for Harbor Freight Tail Gator 63025 63024 For Chicago Electric Storm Cat 800 900 Watts 60338 66619 69381 For CHICAGO Electric 66619 2HP 63cc 64cc Gas Engine Generator – Generator Parts Wholesale
image size: 2560x2560
Chicago Pneumatic CPPG Series Portable Generator
image size: 1509x990
Commercial Parts Tube Chicago 50-101KJKABNF Supply Tube Assembly Replacement Part - Commercial Grade Plumbing Component Chicago 50-101kjkabnf Replacement Part Number
image size: 1280x720
1uq Air Filter Air Cleaner Assembly Housing Cover For Harbor | Desertcart Seychelles
image size: 1000x1000
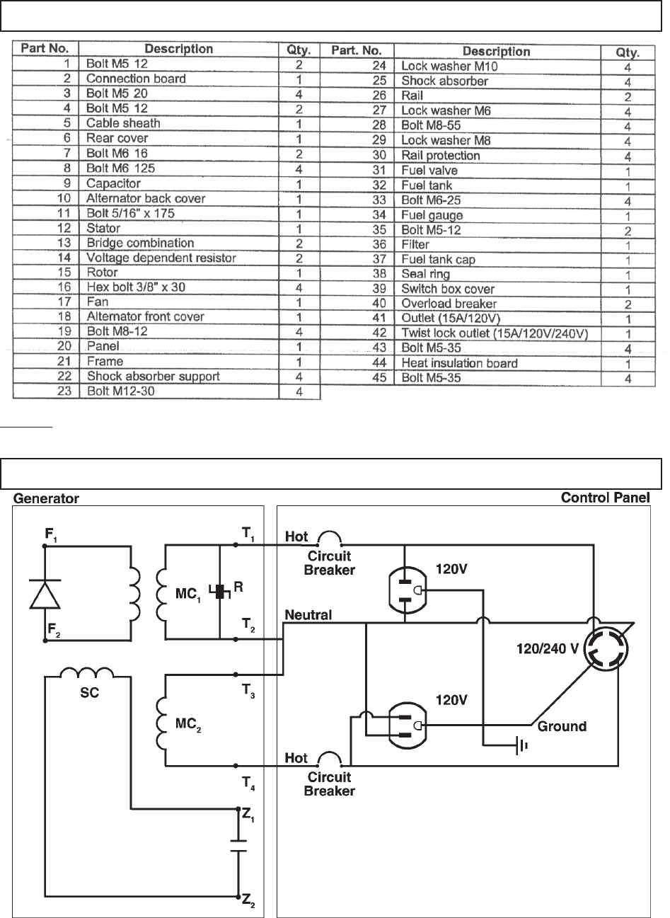
Portable Generator: Model | PDF | Gasoline | Electric Generator
image size: 768x1024
Chicago Electric 90236 Manual
image size: 947x1297
Harbor Freight Carburetor For For Chicago Electric 98838 98839 13HP 6500 W Generator 6500 Watt Generator
image size: 1000x1000
25cm Cable Ignition Coil Reliable Ignition Coil For ET950 \u0026 ET650 GAS Generator Engines - Durable Replacement Part ET950 ET650 Generator Ignition Coil Replacement
image size: 1600x1600
Chicago Pneumatic CPPG Series Portable Generator
image size: 1014x990
Chicago Pneumatic CPPG Series Portable Generator
image size: 1035x990
Lot - Chicago Electric 800 Watt Portable Generator
Construction Equipment Seller, Rentals \u0026 Services in Dallas Fort Worth
image size: 1537x2048
Hasn't been run in a year or so Needs fresh gas and new spark plug Will be good to go Available daily in Lake Tapps 2000 Watts
image size: 1199x1599
Used 2012 FORD ESCAPE WP LINK PLACEHOLDER - Used Auto Parts | Chicago, IL | Joliet, IL | Speedway Auto Parts
image size: 1280x960
Used 2020 HONDA ACCORD WP LINK PLACEHOLDER - Used Auto Parts | Chicago, IL | Joliet, IL | Speedway Auto Parts
image size: 1864x1760
Predator Generator Parts
image size: 960x1280
ETQ portable generator will do 1,200 watt max and | Proxibid
image size: 1902x1634
Generators Sellsheet 2022
image size: 768x1024
Predator Generator Parts
image size: 2400x1000
Chicago Electric 125amp Flux Wire Welder | PDF | Welding | Construction
image size: 768x1024
U.S. Portable Generators Market Statistics, 2025-2034 Report
image size: 1920x1080
GENERATOR RENTAL CHICAGO, LIGHT TOWER RENTALS CHICAGO IL, GENERATORS FOR RENT CHICAGO IL, LARGE GENERATORS FOR MOVIE FILMS CARNIVALS, OUTDOOR SPORTING EVENTS LIGHT TOWERS AND GENERATORS
image size: 2048x1536
How To Clean and Maintain Your Portable Generator - GenTent Safety Canopies
image size: 1200x1600
The generator building is next to the Union Pacific Dining Lodge and is part of the West Yellowstone Oregon Shortline Historic District. All of these buildings were built by the Union Pacific
image size: 2000x2000
Chicago Pneumatic CPG45 Trailer Mounted Diesel Generator - Tier 3
image size: 1920x1080
Pulsar Pg1202sa 1200W Portable 2-Cycle Generator
image size: 1280x960
How Far Should a Portable Generator Be from Your Home? - GenTent Safety Canopies
image size: 1536x2048
Used 2024 SUBARU XV CROSSTREK - Used Auto Parts | Chicago, IL | Joliet, IL | Speedway Auto Parts
image size: 1280x720
Got our new replacement generator in today. | Facebook
image size: 1513x1200
Fixing a Chinese 2 Stroke Generator: Common Problems \u0026 Surprising Solution
image size: 1000x1000
Chicago Pneumatic QRS 10 150 TM - 10HP Rotary Screw Air Compressor, 31.2 CFM @ 150 PSI, Mounted on 132 Gallon Air Receiver, 3 Phase Tri-Voltage
image size: 2240x1260
Belaire OEM Air Compressor Head Unloader Valve - 1312100497
image size: 1000x1000
How To Clean and Maintain Your Portable Generator - GenTent Safety Canopies
image size: 1280x720
Briggs \u0026 Stratton 6,250-Watt Storm Responder Gasoline Powered Portable Generator 030592 - The Home Depot
image size: 1920x1440
New Delivery for Diesel Generator Price - P1650D5-50HZ – AGG Power - AGG Power Technology (UK) CO., LTD.
image size: 4000x3000
Chicago Electric Generators Portable Generator 800 Rated Watts 900 Max Watts New In Box for Sale in Riverside County, CA - OfferUp
image size: 1920x1080
Generator Grounding questions | DIY Home Improvement Forum
image size: 960x1280
How To Clean and Maintain Your Portable Generator - GenTent Safety Canopies
image size: 720x1280
ETQ portable generator will do 1,200 watt max and | Proxibid
image size: 1080x1920
Connecting a Portable Generator to Your Breaker Panel: Step-by-Step Guide
image size: 2240x1260
Note: This is an Out Of Warranty Unit. , I’m having an issue after replacing the failed 12 v Starter. See video for system. , I 100% a knowledge I made a big mistake putting it back together. I ran ...
image size: 2400x1000
Generator Running Covers vs. Storage Covers: What's the Difference and Which Do You Need? - GenTent Safety Canopies
Pulsar 1200W Peak, 900W Running, Portable Gas Generator PG1202SA, 2-Cycle Small Start - Walmart.com
image size: 1200x1200
Constant-speed drive - Wikipedia
image size: 1024x768
Gravis GD4500 3Kva Diesel Generator 3000 Watt
image size: 1920x756
GENERATOR RENTAL CHICAGO, LIGHT TOWER RENTALS CHICAGO IL, GENERATORS FOR RENT CHICAGO IL, LARGE GENERATORS FOR MOVIE FILMS CARNIVALS, OUTDOOR SPORTING EVENTS LIGHT TOWERS AND GENERATORS
image size: 768x1024
Factory Parts and Service - Interstate Power Systems
image size: 900x900
GENERATOR RENTAL CHICAGO, LIGHT TOWER RENTALS CHICAGO IL, GENERATORS FOR RENT CHICAGO IL, LARGE GENERATORS FOR MOVIE FILMS CARNIVALS, OUTDOOR SPORTING EVENTS LIGHT TOWERS AND GENERATORS
image size: 2560x1440
Mi-T-M [GEN-6000-OMHO] 13 HP Honda OHV 6000 Watts Generator 13 HP Honda Generator MTM
image size: 1920x1080
Cummins Generates Power for Big Time Sports Stadiums | Cummins Inc.
image size: 768x1024
GENERATOR RENTAL CHICAGO, LIGHT TOWER RENTALS CHICAGO IL, GENERATORS FOR RENT CHICAGO IL, LARGE GENERATORS FOR MOVIE FILMS CARNIVALS, OUTDOOR SPORTING EVENTS LIGHT TOWERS AND GENERATORS
image size: 1440x620
HOME - Air Compressor Repair Chicago - Air Compressor Service Chicago - Air Compressor Sales Chicago
image size: 1920x1080
Bluefors Lab Expands to Chicago - Bluefors.com
image size: 1000x1000
Westinghouse WGenTent Running Cover for Open Frame Generators
image size: 1001x1001
King Canada Generator Parts Male Fuel Tank Petcock Valve For All Power America, Gentron, Jiangdong Generators Generator Petcock Valve
image size: 768x1024
GENERATOR RENTAL CHICAGO, LIGHT TOWER RENTALS CHICAGO IL, GENERATORS FOR RENT CHICAGO IL, LARGE GENERATORS FOR MOVIE FILMS CARNIVALS, OUTDOOR SPORTING EVENTS LIGHT TOWERS AND GENERATORS
image size: 2574x1240
KING CANADA KCG-7501GE 7500W Gasoline Generator Instruction Manual
image size: 2143x1067
Norwall PowerSystems Generator Superstore
image size: 1920x1080
Electrostatic generator - Wikipedia
image size: 1280x1149
2002-2007 Jeep Liberty Front Driver Side Steering Wheel Airbag | Chicago HVAC tools and supplies